直流安定化電源
直流安定化電源は、電子機器などの動作に必要な直流の電源を、商用電源ラインの交流から作り出すものです。その種類は、出力電圧を一定にする定電圧電源、出力電流を一定にする定電流電源、また両者を兼ね備えた定電圧定電流電源に大別でき、それぞれは出力電圧、あるいは出力電流の可変型および固定型に分けられます。
またその構成は、交流電圧を電源トランスへ加え、降圧または昇圧し整流器および平滑回路を通し直流電圧に変換した後、入力電圧の変動、負荷の変動、または温度変化などの要因に対しても、出力電圧または出力電流を安定に供給する制御回路からなっています。
安定化の方式には、シャントレギュレート方式、シリーズレギュレート方式、スイッチングレギュレート方式などがあり、それぞれシャントレギュレータ、シリーズレギュレータ、スイッチングレギュレータなどと呼ばれています。
また、これらの方式を組み合わせた電源もあります。電源本来の機能のほかに、可変型の電源の多くは、出力電圧あるいは出力電流をデジタル表示するメータを有しています。以下では、現在の電源の主な方式であるシリーズレギュレート方式とスイッチングレギュレート方式について説明します。
安定化の原理
定電圧および定電流電源の安定化原理を説明します。
定電圧電源
《図-1》に定電圧電源の基本回路を示します。図中、電源は負荷R 1に電力を供給します。制御回路は誤差増幅器の信号により負荷電圧を制御します。誤差増幅器は基準電圧V REFと、出力電圧V 0を抵抗R 1、R 2で分圧した電圧VSとを比較し、V REFとV Sとが常に等しくなるように制御回路へ信号を出力し、これらにより、出力電圧は安定化されます。
《図-1》定電圧電源の基本回路
定電流電源
《図-2》に定電流電源の基本回路を示します。図中、電源、制御回路、誤差増幅器の動きは、定電圧電源で説明した働きと同様です。ただし、誤差増幅器により比較される電圧は、V REFと、出力電流I 0が電流検出抵抗R Sを通過することにより発生する電圧V Sです。つまり、V REFとV Sが常に等しくなるように誤差増幅器が信号を制御回路へ出力し、これらにより出力電流は安定化されます。
《図-2》定電流電源の基本回路
シリーズレギュレート方式
《図-3》シリーズレギュレート方式の基本回路
《図-3》にシリーズレギュレート方式電圧電源の基本回路を示します。この回路において、シリーズトランジスタQは、図-1の制御回路に相当します。また、交流入力、電源トランスT、整流用ブリッジダイオードD及び平滑用コンデンサCが電源に相当し、これをコンデンサインプット型整流回路と言います。
今、増幅器AおよびシリーズトランジスタQを理想的なものと仮定した場合、出力電圧V 0は
と表され、R f、R i、V REFが安定であれば、出力電圧V 0は安定化されます。
また、Rfを変化させることにより出力電圧を可変することができます。この方式は、出力電圧を広範囲に変化させることができ、優れた安定度と過渡応答特性が得られ、リップル、ノイズの少ないことが特徴です。しかし、出力電圧を低く設定すると、シリーズトランジスタQのV CEが増加し、出力電流を大きくとると、Qのコレクタ損失が増大します。
それを避けるための一手法として、出力電圧V 0に合わせて平滑コンデンサの電圧V Cを変化させる方法があります。例えば、電源トランスのタップをリレー等の接点で変える方法などがありますが、現在主流となっている方法は、サイリスタ等半導体を使用し、電源トランスの交流出力の導通角を制御(位相制御)する方法です。
《図-4》サイリスタによる位相制御回路
サイリスタを用いた位相制御形プリレギュレート方式の基本回路を《図-4》に示します。図中の位相制御回路は、電源周波数に同期したパルス位相変調器が直列制御トランジスタのV CEが高くなると導通角を狭く、V CEが低くなると導通角を広くします。つまり、V CEを一定に保つようにサイリスタを制御しますので、シリーズトランジスタQのコレクタ損失を大きく増大させることなく動作させることができます。サイリスタ制御系シリーズレギュレート方式の特徴は、応答速度が速い、ノイズが小さい、効率もある程度良い、などですが、主に商用周波数の電源トランスを使用するため、大型で重量が重くなります。この方式は、中電力以上の直流安定化電源において現在最も多く生産されています。しかし、「軽薄短小」「省エネ」の望まれている現在、ある特定の用途を除いて後述するスイッチングレギュレート方式の安定化電源に置き換えられつつあります。
スイッチングレギュレート方式
近年、電子機器全般において、いわゆる軽薄短小や省エネが強く要求されています。直流安定化電源はこうした電子機器に組み込まれる用途が多く、従来方式の電源では、その要求を満足しなくなりました。そこで原理的に小型軽量、高効率化が可能なスイッチングレギュレータが今日広く用いられるようになってきました。
スイッチングレギュレータはシリーズレギュレータと比較して、重さで1/10〜1/2、大きさで1/10〜1/3、また効率はシリーズレギュレータの30%〜60%に対し、スイッチングレギュレータでは70%〜90%となっています。またスイッチングレギュレータは、入力できる電圧の範囲が広く、何の変更もなしに、AC85〜AC264V入力まで使用できるものもあります。
しかし、電力を高速でスイッチするためノイズを発生したり、安定度、高速性においてシリーズレギュレータに劣りますが、ノイズに対してはシールドなどの対策により一部の用途を除いては問題なく使用できる方式の電源です。
スイッチングレギュレータの原理図を《図-5》に示します。交流入力を整流用ブリッジダイオードと平滑用コンデンサで直流に変換し、スイッチング素子により高速にスイッチし、再び整流、平滑し所望の直流出力を得るDC/DCコンバータを通り出力されます。定電圧あるいは定電流比較回路のフィードバックで、DC/DCコンバータの回路方式により、スイッチング周波数やスイッチのON/OFFの比(デューティといわれる)を変化させ、安定化出力を得ます。
現在、主に使用されているDC/DCコンバータ回路方式の例を以下にあげます。
《図-5》スイッチングレギュレータの基本構成
リンギングチョークコンバータ
《図-6》にリンギングチョークコンバータの代表的な回路を示します。リンギングチョークコンバータはON/OFF方式の自励型回路で、部品点数が少なく、特に小容量(数W〜数10W)、低価格が要求される電源に使用されています。この回路の安定化は次のように説明できます。出力電圧が上昇すると、2次巻線電圧V 1が上昇し、V 1に比例した検出電圧V 2が上昇します。V 2が上昇し定電圧ダイオードD Zが導通すると、スイッチング素子であるトランジスタQのベース電流を下げQをオフにさせ、出力電圧を安定化します。この方式は、帰還増幅器を使用していないことから安定度は低くなります。したがって高い安定度の必要な用途に対しては2次側に帰還増幅器を使用し、フォトカプラを通して安定化させる方法が用いられます。以上のような特徴から、リンギングチョークコンバータは補助電源や、容量の小さなシリーズレギュレータのプリレギュレータとして多く利用されています。
《図-6》リンギングチョークコンバータの一例
フォワードコンバータ
《図-7》にフォワードコンバータの基本回路を示します。出力はスイッチング素子のON/OFF比の制御により安定化されます。リンギングチョークコンバータではスイッチング素子に三角波形の電流が流れるのに対し、この方式では方形波の電流を流すため、同じスイッチング素子を使用した場合、より大きな電力を変換できます。したがって中容量以上の電源に用いられ、またその応用範囲も広くなります。
《図-7》フォワードコンバータの基本回路
《図-8》にフォワードコンバータ方式を応用したフルブリッジ回路を示します。この方式は、図-7の方式に比べ、スイッチングトランスの利用率が高く、より小型大容量化が可能で、大電力電源に用いられます。
《図-8》フォワードコンバータ方式によるブリッジ回路
フォワードコンバータの出力電圧および出力電流の安定化は、デューティ比の制御によると述べましたが、その動作原理を《図-9》に示します。 出力電圧および出力電流を検出し比較回路から出力された電圧と、基準電圧となる三角波とを比較し、三角波の電圧が高い期間スイッチングトランジスタQのON期間となります。
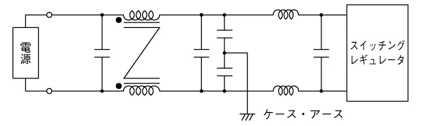
スイッチング電源は、その特性上スイッチングによる高周波のノイズを発生します。このノイズが他の電子機器に悪影響を及ぼすため、各国でその用途により規制あるいは自主規制されています。FCCやCISPRなどの規格では規制され、日本のVCCIなどでは自主規制となっています。一般家庭などで使用される電子機器に使われる場合と、工場など産業用に使用される電子機器に使われる場合とに分けられ、後者に比べ前者はより低いノイズレベルに規制されています。ノイズの放出を防ぐために、スイッチング電源の入力側に、ノイズフィルタが配置されています。
《図-9》デューティ比例制御の動作原理
《図-10》にその一例を示します。図に示すように、入力ラインとグランド(ケース・アース)間にコモンモードノイズを抑制するコンデンサが配置されています。これは電源からの漏えい電流となり、この電流が多くなると感電、あるいは感電による2次的な災害を人体にもたらします。したがって、フィルタのグランド(ケース・アース)を大地に接地するなどの注意が必要です。
《図-10》ノイズフィルタの一例
保護回路
過電圧保護
電源装置が何らかの原因で故障し制御不能となった場合、または使用者のミス等により負荷に過電圧を加え破損することが考えられます。これを防ぐ目的のための保護回路です。長時間無人運転を行う場合等の電源装置に必要な機能です。
過電圧保護回路には、過電圧を検出してブレーカにより入力の電源を遮断してしまうタイプと、電源の出力端子間をサイリスタ等により短絡する(CROWBAR)タイプ等があり、接続される負荷により使用者が選択します。
過負荷保護回路
定電圧電源は出力インピーダンスが非常に低く、出力を短絡した場合、過大電流により回路を破損します。したがって、過大電流を防ぐ保護回路が必要です。その種類は下記に大別できます。
- フォールドバック形保護回路(フの字型保護回路)
- 定電圧定電流移行形保護回路
当社の定電圧電源には、定電圧定電流移行形保護回路が使われています。
突入電流防止回路
電源装置は入力電源の投入時、トランスの磁気飽和や平滑用コンデンサへの充電などで大きな突入電流が流れます。この電流を防止するのが突入電流防止回路です。一例として、入力にトライアックやサイリスタなどと並列に抵抗を配置し、コンデンサの電圧が上がる間は抵抗により突入電流を制限するなどの回路が配置されています。この回路はたいていの場合電源1台で使用される場合を想定しているので、多数の電源を機器に組み込む場合には、機器に配置する入力スイッチに十分な配慮が必要です。
プログラマブル電源
近年の電子機器では、時代の要求として自動システムなどを組み、作業効率のアップを行うことが多く、このような用途に対応するのが プログラマブル電源です。電源装置には、GPIB、RS-232Cなどをインタフェースするボードが内蔵されているものや、オプションにより対応されるものがあり、《図-11》にシステムの一例を示します。
《図-11》プログラマブル電源システム構成例
多出力電源
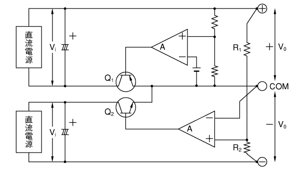
多出力電源は、ひとつの電源装置から数系統の電源出力を同時に取り出すことができるものです。2系統を出力するデュアルトラッキング方式(正・負電圧追従運転)の電源はひとつのツマミを操作することにより、正・負の電圧を同時に可変できる電源です。デュアルトラッキング方式の基本回路を《図-12》に示します。
《図-12》デュアルトラッキング方式の基本回路
交流安定化電源
交流安定化電源は大別すると、単に出力電圧あるいは波形を一定に保つ目的のACスタビライザ(AVR)と、これに加えて出力周波数を一定に保つ(または可変する)周波数コンバータ(CV・CF)とからなります。
両者とも要求される仕様としては、出力電圧(周波数コンバータの場合は出力周波数を含む)の安定度が優れていること、入力電圧の波形に影響されず出力波形品質(歪率等)が良いこと、負荷の種類(力率等)に影響されることなく安定に電力を供給できることなど、直流安定化電源とは異なるさまざまな条件が必要となってきます。一方、近年国内の商用電源ラインの電力事情は大きく向上し、高信頼、高品質の電力が供給されているものの、自然災害(雷、風雨雪等)による瞬時的な停電、電圧低下は避けられない実情です。
また工場の生産ライン等では、種々の負荷が接続され、オフィスや住宅環境地区においても、コンデンサインプット形整流回路を持つ電子機器(テレビ、パソコン、OA機器等)の影響で、波形歪、ノイズ等を含んだ電力が供給されています。
このような電源ラインの異常に対してCPU搭載機器は停止したり誤動作を起こすばかりでなく、時には人身事故を起こす等、重大な社会問題を引き起こす要素も含んでいます。このようなトラブルを防ぐ目的では無停電電源装置が有効ですが、機器の製造メーカーにおいては電圧変動、停電等幅広い電源環境試験を行う必要があるため高性能で多機能なシミュレーション電源が要求されるようになっています。
以下に使用目的と性能の違いを中心に各種交流安定化電源の方式及び概略について述べます。
交流安定化電源の種類
ACスタビライザ(AVR)
- 可飽和リアクトル方式
- 鉄共振方式
- スライダック方式
- タップ切換方式
- 位相制御方式
- リニアアンプ方式(電圧補正方式)
周波数コンバータ(CV・CF)
- リニアアンプ方式
- インバータ方式
以上の他に各種方式がありますが、実用化されていなかったり使用例が少なく、また、上記の可飽和リアクトル方式、鉄共振方式は近年あまり利用されなくなったため説明は省略します。
ACスタビライザ(AVR)
スライダック方式
入出力間にスライダックを挿入し、その出力電圧を検出し、いったん直流信号に変換してから基準電圧(直流)と比較誤差増幅し、サーボモータへ加えスライダック摺動子を動かすことにより出力電圧を一定に保つ方式です。この方式は効率が良く小型ローコスト化がはかられますが、機械的な動作を伴うので応答速度が遅く、また摺動子の寿命が短いため信頼性は低く、出力電圧の歪は入力電圧とほぼ同一となります《図-13》。
《図-13》スライダック方式
タップ切換方式
入出力間に多くのタップを持ったトランスを挿入しその出力電圧を検出し基準電圧と比較増幅し、トランスのタップ電圧をサイリスタやトライアック等の半導体スイッチで切換えることにより出力電圧を一定に保ちます。 この方式はスライダック方式に比べ機械的な動作がない為寿命も長く、効率が良く小型ローコスト化がはかられます《図-14》。
《図-14》タップ切換方式
位相制御方式
入力電源をSCR等で位相制御して得られた電力を、LC共振回路等によるローパスフィルタを通して波形整形し正弦波を出力する方式です。出力電圧の制御は、前記スライダック方式と同様に直流信号同士の比較となります。したがってAC/DC信号変換部の時定数により応答速度はあまり速くできません。この方式も効率は良く比較的小型ローコスト化がはかれます。信頼性は高いですが発生歪は大きくなります《図-15》。
《図-15》位相制御方式
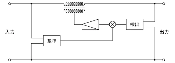
リニアアンプ方式(電圧補正方式)
入力電圧の電圧(波形)変化をリニアアンプにより補正して出力電圧(波形)を一定に保つ方式です。入力電源に同期した基準電圧(正弦波)を作り、出力電圧検出信号と比較し、その誤差分をリニアアンプで電力増幅し、入出力間に直列に挿入されたトランスにて電圧波形に瞬時補正をかける方式のものです。したがって出力電圧の安定度、歪率等出力波形品質は最も優れています。ただし効率、コスト面では若干劣ります《図-16》。
《図-16》リニアアンプ方式(AVR)
周波数コンバータ
リニアアンプ方式
入力電源を整流回路によりいったん直流電源に変換し、これをリニアアンプの電源として供給します。一方水晶発振器等から正弦波基準電圧を作り、これをリニアアンプの入力として電力増幅を行い出力する方式です《図-17》。
リニアアンプ部はその供給直流電源電圧により効率が大きく変化するため、位相制御回路あるいはスイッチング電源回路を用いて安定化します。適切な供給電圧を得るため、また入出力間の絶縁を図るため通常入力側あるいは出力側にトランスを設けますが、このトランスの挿入位置により出力波形の品質は左右されてしまいます。
出力トランスを用いることは、周波数特性、安定度、歪率等の特性を悪化させるためフィードバックループよりトランスを外した出力トランスレス(OTL方式)が理想的です。これにより出力トランスの飽和の問題がなくなり出力電圧、周波数を自由なタイミングで変化させられるので、電源ラインの異常シミュレーション(瞬停試験等)が行え、ATE等への応用が可能となります。
さらにはアンプ部の周波数特性を拡大することにより、歪波形等実情の商用電源ラインに近いシミュレーションも可能となるため今後発展性の高い方式でもあります。
《図-17》リニアアンプ方式(周波数コンバータ)
インバータ方式
前述のリニアアンプの代わりにPWM(Pulse Width Modulation)スイッチング方式のDC/ACインバータを用いた方式で、このインバータ部の効率は非常に優れています《図-18》。また入力電源の依存性が少ないため入力電源は安定化する必要はなく特に入力出力間の絶縁の必要がない場合にはトランスを省略することも可能です。
したがって小型、高効率化がはかられます。ただし、スイッチング方式であるため、リニアアンプのように広帯域のフィードバックはできないため、十分なフィードバックがかけられず、出力電圧の品質はリニアアンプ方式に比べ劣ります。またノイズも大きくなる欠点があります。
しかしながら、半導体技術の進歩により高周波化が容易になってきたため、出力電圧品質の向上は比較的容易です。この方式は省エネルギーの面から最も注目される交流安定化電源です。なお、無停電電源装置あるいはインバータエアコン等のDC/AC変換部においてはすでにこのインバータ方式が主流となっています。また前項のACスタビライザへの応用も可能です。
《図-18》インバータ方式


